Por Carole Tanzer Miller, HealthDay News ¿Puedes confiar en tu instinto? Los investigadores de la UCLA han demostrado que las...
Blog
México aventaja en Inteligencia Artificial (IA) en el contexto latinoamericano, solo por debajo de Colombia, pero por encima de Argentina...
Stephen Omondi Odhiambo hace señas con la palabra "GALLINA" a su mujer, Dorah Akungu, y ella lo entiende inmediatamente. Al...
Ilse Valencia / Erik Hubbard / Nycol Herrera El xoloitzcuintle es una raza surgida hace dos milenios en el occidente...
De "La casa de los espíritus" a "Violeta", las voces de las mujeres sabel Allende, cumple 80 años el 2...
TOKIO, 29 de julio de 2022 /PRNewswire/ -- El 26 de julio, a pocos días de la Décima Conferencia de las...
Michel Olguín Lacunzahttps://youtu.be/NhSg6GqIee ¿Te has preguntado por qué algunas personas son siempre delgadas o corpulentas? ¿Serán así por naturaleza? o ¿será la alimentación...
https://youtu.be/wDj9vWY5-6k DGCS-UNAM Adquiere una definición diferente de acuerdo con el periodo histórico y la región, explicó Deborah Dorotinsky Alperstein Los...
(ANSA) - CIUDAD DE MEXICO, 10 DIC - La inequidad imperante en México, derivada de la brecha cada vez más...
ONU Derechos Humanos ha recibido informes desgarradores y creíbles sobre el impacto en los civiles de violaciones del derecho internacional...
La Oficina de la ONU contra la Droga y el Delito (UNODC en inglés) presentó este lunes la campaña Corazón...
EFE.- Un corazón roto afianzó a la cantante mexicana Silvana Estrada como poeta y compositora. Su camino musical está marcado...
Un matemático australiano ha descubierto lo que puede ser el ejemplo más antiguo conocido de geometría aplicada, en una tablilla...
Michel Olguín Lacunza https://www.youtube.com/watch?v=uDceggG2o9E Nieves Orozco, la modelo del cuadro “Desnudo con Alcatraces” de Diego Rivera, tiene una fisonomía indígena,...
Los estudiantes de esta especialidad han aprendido que un importante aspecto de su labor, sobre todo en tiempos de coronavirus,...
Diecisiete expertos se han unido para desarrollar un modelo informático capaz de rastrear las existencias y flujos de plástico en...
El Abecedario de la Nutrición, con la colaboración de Laura González, responsable de Salud y Nutrición de Nestle. habla del...
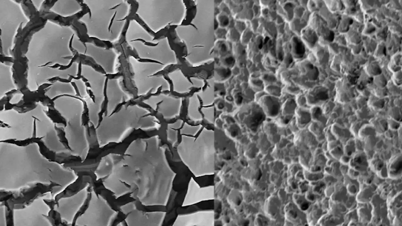
Imagen cedida por "Bonifaci et al" del esquema del funcionamiento del circuito. EFE Elena Camacho.- Un equipo internacional de investigadores...
Las temperaturas mundiales en abril fueron casi idénticas a las de abril de 2016, el más cálido jamás registrado, según...
UVM. Casi tres cuartas partes de los mexicanos afirma haber estado estresado al menos en una ocasión “en el transcurso...
Daniela Pamatz/Berenice Maltos/Roberto Torres. El académico Felipe Vega Boada explicó que aprender nuevos idiomas mejora la reserva cognitiva y la...
Instituto Salk de Estudios Biológicos. Si lo que deseas es reducir los niveles de inflamación en todo el cuerpo, retrasar...
La aplicación excesiva del confinamiento en solitario en los centros correccionales estadounidenses es alarmante, advierte el relator especial de la...
La circulación oceánica media global se ha acelerado en los últimos veinte años, en especial en las aguas tropicales, según...
El Gobierno británico adelantará a 2035 la prohibición de vender automóviles nuevos de diésel, gasolina o híbridos, que había fijado...
Para los niños y las niñas el esfuerzo y la dedicación es lo más importante en la práctica de deportes,...
Por Emilio Godoy.- Los rayos del sol también sirven para cocinar alimentos y, con ello, sustituir la quema de leña y...
Toronto (Canadá) (EFEUSA/EFEverde).-Históricamente, el mecanismo por el que la Tierra regula "emisiones catastróficas" de carbono a la atmósfera ha sido...
https://youtu.be/rd7eoHiFfSw Urbanismo, modelo alimentario, agua y energía son las cuatro áreas en "estado grave" dentro del actual modelo socioeconómico que...
PARÍS, 18 sep (Reuters) - La casa de subastas francesa Millon negó acusaciones del gobierno mexicano de que una venta...
Elena Camacho Madrid.- Las misiones Apolo de la NASA fueron el inicio de una apasionante carrera espacial que décadas después...
Reclutados por bandas, se vuelven objetos descartables, expertos (ANSA) Los niños y adolescentes son reclutados cada vez con más insistencia...
Por Noel Castro.- Bajo el término de "consumo transformador", el laboratorio de reciclaje textil Altrapo Lab busca generar alternativas a la...
(UPI) Una mujer en Las Vegas que rompió el récord mundial Guinness por el hula hula más grande hecho girar...
Gracias a los hallazgos paleoantropológicos y a estudios genéticos, una pareja de científicos ha reconstruido virtualmente y en 3D el...
Pese al aumento de países que cuentan con estrategias nacionales para la prevención del suicidio, la Organización Mundial de la...
Las redes sociales como Facebook, Instagram, Snapchat y Twitter son los lugares más comunes para este tipo de acoso que...
Los incendios que se expanden en la Amazonía, con especial incidencia en Brasil pero también en Bolivia, disparan alarmas en...
HOUSTON, 5 agosto, 2019 (Xinhua) -- Imagen del 3 de agosto de 2019 de personas visitando la exposición "Cruzada Jurásica",...
La riqueza de los pueblos indígenas Los pueblos indígenas representan una gran diversidad: más de 5 000 grupos distintos en...
"En este Día Mundial contra la Trata de Personas, reafirmemos nuestro compromiso y nuestro empeño en impedir que los...
Arrancar uvas sin aplastarlas, coger un huevo sin romperlo o pelar un plátano son algunas de las cosas que puede...
Los manglares costeros se encuentran entre los ecosistemas más amenazados de la Tierra. Según las estimaciones actuales, hasta la fecha...
KATMANDÚ, 22 julio, 2019 (Xinhua) -- Una mujer hindú ofrece oraciones en el Templo Pashupatinath, en Katmandú, Nepal, el 22...
Por Isabel Martíunez Pita.- Estudios científicos han demostrado cómo afecta la contaminación acústica a las aves que viven en las...
El mes de junio fue el más cálido desde que se tienen registros, y los bajos niveles de hielo marino...
El lote incluía originalmente 100 pares, pero el propietario de uno de los pares, considerados los más raros del conjunto,...
América Latina tiene cerca del 30 % de todas las reservas de agua dulce del planeta pero su distribución en el...
Cristina Bazán y Laura Herrera | La tripulación de la nave Gemini está completa. Desde este jueves 18 de julio una...
(ANSA) - CIUDAD DE MEXICO, 17 JUL - El fallo emitido hoy por un juez contra el mexicano Joaquín "El...
